Plus de 4000 références produits en stock permanent
Paiement en plusieurs fois disponible
Paiement 100% sécurisé
Livraison le lendemain ! & gratuite à partir de 179€ TTC*
Service client gratuit 04 90 38 55 48 - de 8h à 18h
Intensité
Type Interrupteurs différentiels
Connexion
Assistance en ligne
Tél. 04-90-38-55-48Lundi/Vendredi : 8H à 18H
contact@elecdirect.fr(7J/7 et 24H/24)
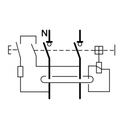
Interrupteurs différentiels Hager
(9)
Retrouvez sur ELECdirect notre gamme d'interrupteurs différentiels de la marque Hager. Ils protègent votre installation électrique et s’adaptent parfaitement à votre tableau électrique Hager.
Intensité
Type Interrupteurs différentiels
Connexion
Toute la gamme d’interrupteurs différentiels Hager sur ELECdirect
Sur notre catalogue en ligne, vous avez un large choix de modèles d’interrupteurs différentiels Hager. Vous pouvez choisir l’intensité (40A ou 63A), le type (HPI, type A ou type AC) et la connexion (automatique ou à vis). Voyons de plus près certains modèles emblématiques.
L’interrupteur différentiel Hager 63A type A
L’interrupteur différentiel Hager 63A type A est incontournable dans les installations modernes. Il est spécialement conçu pour protéger les circuits sensibles comme les plaques de cuisson à induction, les lave-linge, ou encore les prises spécialisées (notamment pour l’électroménager).
Ce type A détecte non seulement les fuites de courant alternatif mais aussi les composantes continues, ce qui le rend plus performant que le type AC. C’est donc un choix privilégié pour les circuits critiques où la sécurité ne doit laisser aucune place au hasard.
L’interrupteur différentiel Hager 63A type AC
L’interrupteur différentiel Hager 63A type AC est le modèle le plus courant. Il protège efficacement les circuits standards comme l’éclairage, les prises de courant classiques, et même les petits appareils électroménagers.
Plus économique, il est parfaitement adapté pour les installations résidentielles où il complète les dispositifs de type A.
Commandez votre interrupteur différentiel Hager dès aujourd'hui sur ELECdirect et bénéficiez de la qualité et de la fiabilité que seul Hager peut offrir. La sécurité électrique commence ici.